【對夾蝶閥】北高科閥門.質量保證,瑞通全方面介紹【對夾蝶閥】相關標準、選型、作用、結構圖、規格型號;外形尺寸、工作原理、產品說明書、安裝維護及產品示意圖;為廣大用戶提供品質高、高性能、高標準、高壽命、價格優惠的系列對夾蝶閥。
對夾蝶閥產品簡述:
對夾式蝶閥尺寸小,重量輕,可在各種介質管道中作為截斷、調節流量的設備。通過選用不同材質的閥板和密封座,以及板、軸通過無銷連接可用于更惡劣的工況,如脫硫、真空、海水淡化系統等。凸耳對夾式蝶閥可實現閥門的下游管線及設備在線修理,并且該閥可實現閥門的下游管線及設備在線修理,并且該閥可安裝在管端作為排氣閥使用。
對夾蝶閥產品應用:
對夾式蝶閥用在石油、化工、食品、醫藥、造紙、水電、船舶、給排水、冶煉、能源等系統管路上,可在多種腐蝕性、非腐蝕性的氣體、液體、半流體以及固體粉末管和容器上作為調節和截流設備使用。
軟密封對夾蝶閥產品特點:
1、對夾蝶閥小型輕便,容易拆裝及維修,并可在任意位置上安裝。
2、結構簡單、緊湊、90°運轉啟閉迅速。
3、操作扭矩小,省力輕巧。
4、達到完全密封,氣體試驗泄露為零。
5、選擇不同零部件材質,可適用多種介質。
6、流量特性趨于直線,調節性能好。
7、啟閉試驗次數多達數萬次、壽命長。
8、可代替閘閥、截止閥、旋塞閥、膠管閥及隔膜閥等各種閥的使用。
硬密封對夾蝶閥產品特點:
由于本對夾蝶閥采用的是三維偏心原理設計,使密封面的空間運動軌跡達到理想化,密封面相互之間無磨擦、無干涉、加之密封材料選擇得當,從而使蝶閥的密封性、耐腐蝕性、耐高溫性和耐磨性等得到了可靠的保證。其主要特點如下:
1、對夾蝶閥開啟力矩小,靈活方便,省力節能。
2、三維編心結構,使蝶板越關越緊,其密封性能可靠,達到無泄漏。
3、對夾蝶閥耐高壓、耐腐蝕、耐磨損、使用壽命長等。
1、本閥采用雙偏心結構,具有越關越緊的密封功能,密封性能可靠。
2、密封副材料選用不銹鋼和丁腈耐油橡膠配對,使用壽命長。
3、橡膠密封圈即可位于閥體上,也可以位于蝶板上,可適用不同特點的介質,供用戶選擇。
4、蝶板采用框架結構,強度高,過流面積大,流阻小。
5、整體烤漆、能有x地防止銹蝕且只要更換密封閥座密封材料,就可使用于不同介質。
6、本閥具有雙向密封功能,安裝時不受介質流向的控制,也不受空間位置的影響,可在任何方向安裝。
7、本閥結構d特,操作靈活,省力,方便。
主要結束參數
公稱通經DN(mm) | 50~2000 | 50~1600 | |
公稱藥理PN(MPa) | 0.6 | 1.0 | 1.6 |
密封試驗(MPa) | 0.66 | 1.1 | 1.76 |
強度試驗(MPa) | 0.9 | 1.5 | 2.4 |
適用溫度 | 丁腈橡膠:-40℃~90℃氟橡膠:-20℃~200℃ | ||
適用介質 | 水、空氣、t然氣、油品及弱腐蝕性流體 | ||
泄漏率 | 符合GB/T13927-92標準 | ||
驅動方式 | 蝸輪傳動、電動、氣動、液動 | ||
主要零部件材料
零件名稱 | 材料 |
閥體 | WCB、QT4500、HT200、HT250 |
蝶板 | WCB、QT4500、HT200、HT250 |
閥軸 | 2Cr13 |
密封圈 | 丁腈耐油橡膠 |
填料 | 柔性石墨 |
執行標準
制造標準 | GB/T 122387-89 |
法蘭標準 | GB9113-2000、GB17241.6998 |
結構長度標準 | GB12221-89 |
檢驗標準 | GB/T 13927-92 |
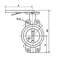
D71X-6/10/16對夾式軟密封蝶閥主要外形連接尺寸 單位:mm
DN | L | H | HO | A | B | 0.6MPa | 1.0MPa | 1.6MPa | |||
DO | n-d | DO | n-d | DO | n-d | ||||||
50 | 43 | 63 | 235 | 270 | 110 | 110 | 44 | 125 | 48 | 125 | 48 |
65 | 46 | 70 | 250 | 270 | 110 | 130 | 44 | 145 | 48 | 145 | 48 |
80 | 46 | 83 | 275 | 270 | 110 | 150 | 48 | 160 | 88 | 160 | 88 |
100 | 52 | 105 | 316 | 270 | 110 | 170 | 48 | 180 | 88 | 180 | 88 |
125 | 56 | 115 | 340 | 310 | 110 | 200 | 88 | 210 | 88 | 210 | 88 |
150 | 56 | 137 | 376 | 310 | 110 | 225 | 88 | 240 | 8-22 | 240 | 8-22 |
200 | 60 | 164 | 430 | 353 | 150 | 280 | 88 | 295 | 8-22 | 295 | 8-22 |
250 | 68 | 206 | 499 | 353 | 150 | 335 | 128 | 350 | 12-22 | 355 | 12-26 |
300 | 78 | 230 | 570 | 380 | 150 | 395 | 12-22 | 400 | 12-22 | 410 | 12-26 |
產品尺寸








<
<
<
<
<
<
<
<
<
<
